굴삭기와 마찬가지로 지게차운전기능사는 여러가지 건설기계 중장비 운전 자격증 중에 대표적인 자격증입니다.
아래 나온 리스트의 건설기계 중장비가 모두 동일한 일정이나 시험 형태를 가지고 있지는 않습니다.
지게차와 함께 굴삭기는 시험일정이 상시에 해당되며, 다른 중장비는 정기 일정이라 시험 횟수가 많지는 않습니다.

오늘은 지게차운전기능사 자격 시험에 대한 가장 기본적인 하지만 반드시 알면 도움되는 시험방법에 대해서 안내해 드리겠습니다.

지게차운전기능사 자격증이란?
지게차를 운전하여 화물을 운반, 하역 적재 등 지게차 작업 능력을 평가합니다.
응시자격
나이, 학력 제한없이 누구나 응시 가능
시험방법
1차 필기시험 => 2차 실기시험
시험일정
상시
시험수수료
필기: 14,500원, 실기: 27,800원
필기시험
총 문항수: 객관식 60문항 (지게차 주행, 화물 적재, 하역, 안전관리, 작업장치 등)
시험시간: 60분
합격기준: 100점 만점 중 60점 이상 합격(60문항 중 36문항)
실기시험
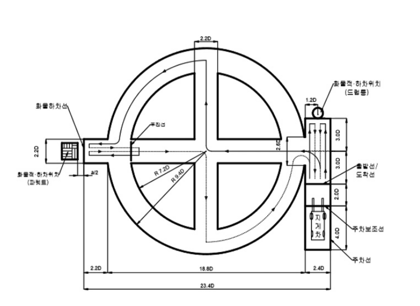
시험방법: 작업형 (화물하차작업, 화물상차작업)
시험시간: 4분
합격기준: 100점 만점 중 60 점 이상 합격

- 지게차에 탑승하여 드럼통 위의 화물을 적재한 후 코스대로 운전합니다.
- 화물 하차 위치에 있는 파렛트 위에 화물을 하차합니다.
- 하차한 화물을 다시 적재한 후 후진 주행으로 운전하여 드럼통 위에 화물을 하차합니다.
- 지게차 장비를 원위치 합니다.
관련 분야 자격증
기중기운전기능사, 롤러운전기능사, 굴삭기운전기능사, 불도저운전기능사, 천장크레인운전기능사, 컨테이너크레인운전기능사 등
관련 취업 분야
건설기계정비업, 건설업, 중공업, 건설기계대여업, 관련 교육훈련기관 등
2020년 합격 현황

'자격증 > 지게차' 카테고리의 다른 글
| 2023년 굴착기, 지게차 운전기능사 필기, 실기시험 일정 (1) | 2023.01.22 |
|---|---|
| 2022년 지게차 운전기능사 필기 실기시험 일정 (2) | 2021.12.31 |
| 지게차운전기능사 시험장별 기종 및 소재지 (0) | 2021.06.03 |
| 지게차운전기능사 필기시험 한권으로 끝내기 (1) | 2021.05.30 |
| 2021년도 지게차 실기시험 일정 및 실기 접수 확실하게 하는 법 (0) | 2021.05.14 |
댓글